Многогранная опора ПМ10-1
Наличие
Есть
Доставка
По России и СНГ
Оплата
Безналичный расчет
Описание
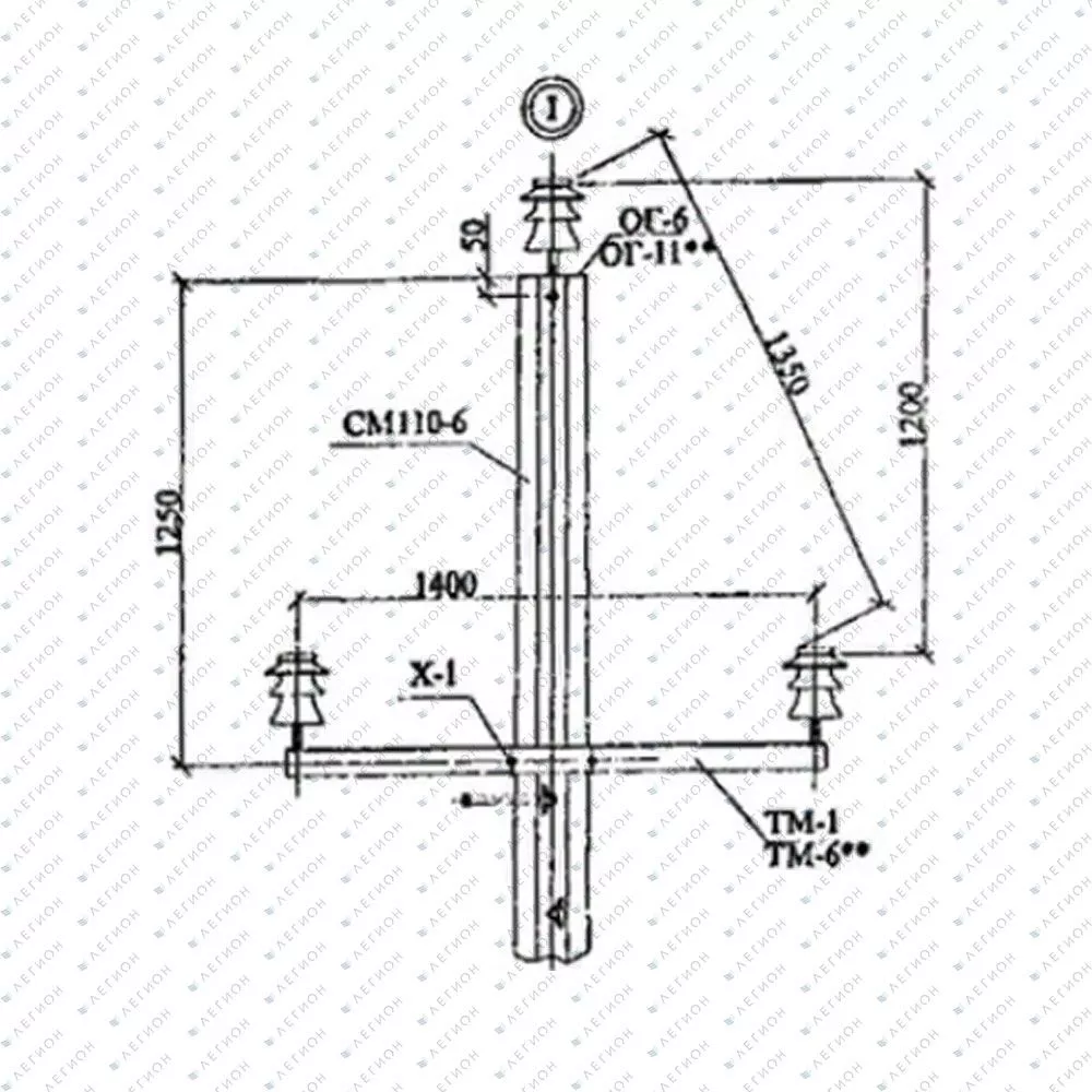
Многогранная опора ПМ10-1, разработанная по типовому проекту 22.0028, представляет собой одноцепную свободностоящую конструкцию для строительства воздушных линий электропередачи напряжением 6-10 кВ. Ее общая высота составляет 9 метров, что обеспечивает необходимое расстояние от проводов до земли. Конструкция предназначена для установки непосредственно в грунт без сооружения бетонного фундамента, что значительно упрощает и ускоряет монтажные работы. Изготовленная из конструкционной стали марки С245, опора обладает необходимой прочностью для выполнения своих функций. Для обеспечения долговечности в условиях постоянного воздействия окружающей среды все металлические элементы защищены от коррозии методом горячего цинкования. Конструкция рассчитана для эксплуатации в ветровых районах с I по VI, подтверждая свою надежность в различных климатических условиях.
Главной особенностью конструкции опоры ПМ10-1 является метод ее установки. Нижняя часть ствола заглубляется непосредственно в подготовленный котлован и заливается бетонной смесью, что обеспечивает надежную фиксацию и несущую способность. Такой способ монтажа исключает необходимость в дорогостоящих и трудоемких фундаментных работах, сокращая сроки и бюджет строительства. Опора имеет цилиндрическую граненую форму с постоянным диаметром ствола 310 мм по всей высоте. Конструкция не оснащена тросостойкой для грозотроса и рассчитана на восприятие нагрузок, действующих перпендикулярно оси линии. Простота конструкции и отсутствие сложных узлов крепления делают процесс установки быстрым и не требующим применения тяжелой строительной техники.
Технические характеристики
Применение
Опоры ПМ10-1 применяются для поддержания проводов на прямых участках трасс воздушных линий электропередачи. Они востребованы при строительстве новых распределительных сетей 6-10 кВ в сельской местности, поселках и на территории промышленных зон. Данная модель оптимальна для модернизации и реконструкции существующих линий, где требуется замена устаревших деревянных или железобетонных опор на более долговечные стальные конструкции. Опоры используются при сооружении ответвлений от магистральных линий к отдельным потребителям, таким как жилые дома, фермы или малые предприятия. Благодаря простой установке они эффективны на участках со сложным рельефом, где возведение фундамента затруднено.
Преимущества практического использования
Производство опор на нашем предприятии основано на строгом соблюдении технологических стандартов, что гарантирует высокие эксплуатационные характеристики. Применение метода горячего цинкования обеспечивает комплексную антикоррозионную защиту металла на срок не менее 30 лет, даже при непосредственном контакте с грунтом. Свободностоящая конструкция без оттяжек экономит занимаемую площадь, не создает помех для сельскохозяйственной или иной деятельности на прилегающей территории и упрощает обслуживание линии. Унифицированные размеры и соответствие типовому проекту гарантируют взаимозаменяемость и простоту интеграции опор в любые проекты распределительных сетей. Мы осуществляем полный контроль качества на всех этапах производства, от резки металла до формирования защитного покрытия, обеспечивая полное соответствие продукции требованиям ГОСТ и технических регламентов.
Купить Многогранная опора ПМ10-1
НПО «Легион» специализируется на производстве металлоконструкций для энергетики и предлагает комплексные поставки опор для воздушных линий электропередачи. Мы готовы изготовить опоры ПМ10-1 в необходимом количестве в сжатые сроки, обеспечив полный комплект сопроводительной документации. Наши специалисты предоставят детальные консультации по выбору, монтажу и эксплуатации конструкций. Для расчета стоимости партии, оформления заказа или получения подробных технических характеристик свяжитесь с нашими менеджерами. Мы организуем доставку продукции по всей территории Российской Федерации.
Телефон: 8(800)500-51-37
Email: info@legionural.ru
Голосов 14 Рейтинг 4.8